
Design Guide for the Polycom SoundStructure C16, C12, C8, and SR12
3 - 14
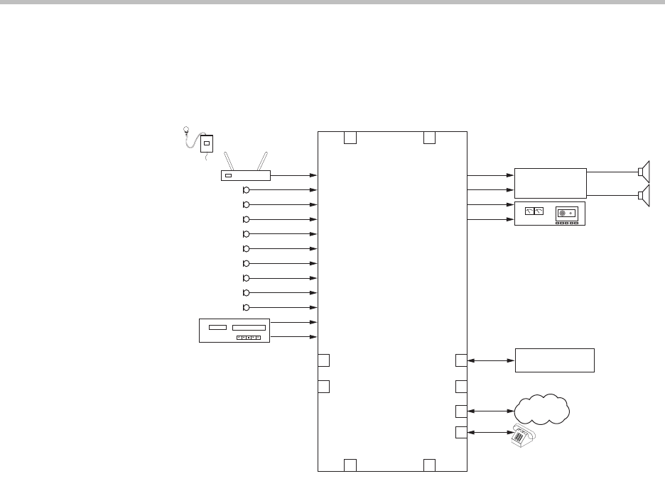
As an example of using physical channels, virtual channels, and virtual
channel groups, consider a SoundStructure C12 device where there are ten
microphone inputs, a telephony interface, and a Polycom HDX system as
shown in the following figure.
In this example, there is a wireless microphone and a podium microphone,
both reinforced into the room, eight table top microphones, and a stereo VCR
for audio playback. As shown in this figure the system is wired with the
wireless microphone in input 1, the podium mic on input 2, the table mics 1-8
on inputs 3-10, a stereo VCR is connected to inputs 11 and 12 and a Polycom
HDX video codec is connected over the digital ConferenceLink interface.
1
2
3
4
5
6
7
8
9
10
11
12
1
2
3
4
5
6
7
8
9
10
11
12
C-LINK2
LOGIC IN LOGIC OUT
C-LINK2
OBAM IN
OBAM OUT
LINE
PHONE
Ethernet
RS-232
SoundStructure
C12
Receiver
12:00 am
VHS
Amplifier
Polycom HDX System
Loudspeakers
PSTN
Network
Favorite Content
A
A
Wireless mic
Conferencing Amp
Record
770-350-4400
To HDX
From HDX
Podium mic
Table mic 1
Table mic 2
Table mic 3
Table mic 4
Table mic 5
Table mic 6
Table mic 7
Table mic 8
VCR
Comentários a estes Manuais