
SoundStructure Product Family
2 - 17
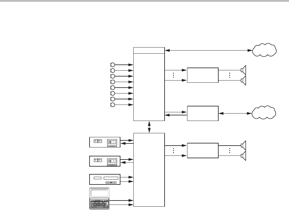
reinforcement, and broadcasting. The following figure shows an example of
using the SoundStructure SR12 to provide additional line level inputs and
outputs to a SoundStructure C8 conferencing product.
The SoundStructure SR12 can not be used to add additional conferencing
microphones to a C series product because there is no acoustic echo
cancellation processing on the SoundStructure SR12 inputs. The following
figure shows an installation that would not work because the microphones
that are connected to the SoundStructure SR12 would not be echo cancelled. If
more conferencing microphones are required than can be used with a
Telco
Video Codec
Amplifier
SoundStructure
C8
SoundStructure
SR12
Microphones
Telephony
Loudspeakers
Video
Local
Audio
Playback
Network
PSTN
Network
Playback/Record
Favorite Content
Playback/Record
Favorite Content
Amplifier
Loudspeakers
Local
Audio
Playback
SR-Series
12:00 am
VHS
Comentários a estes Manuais